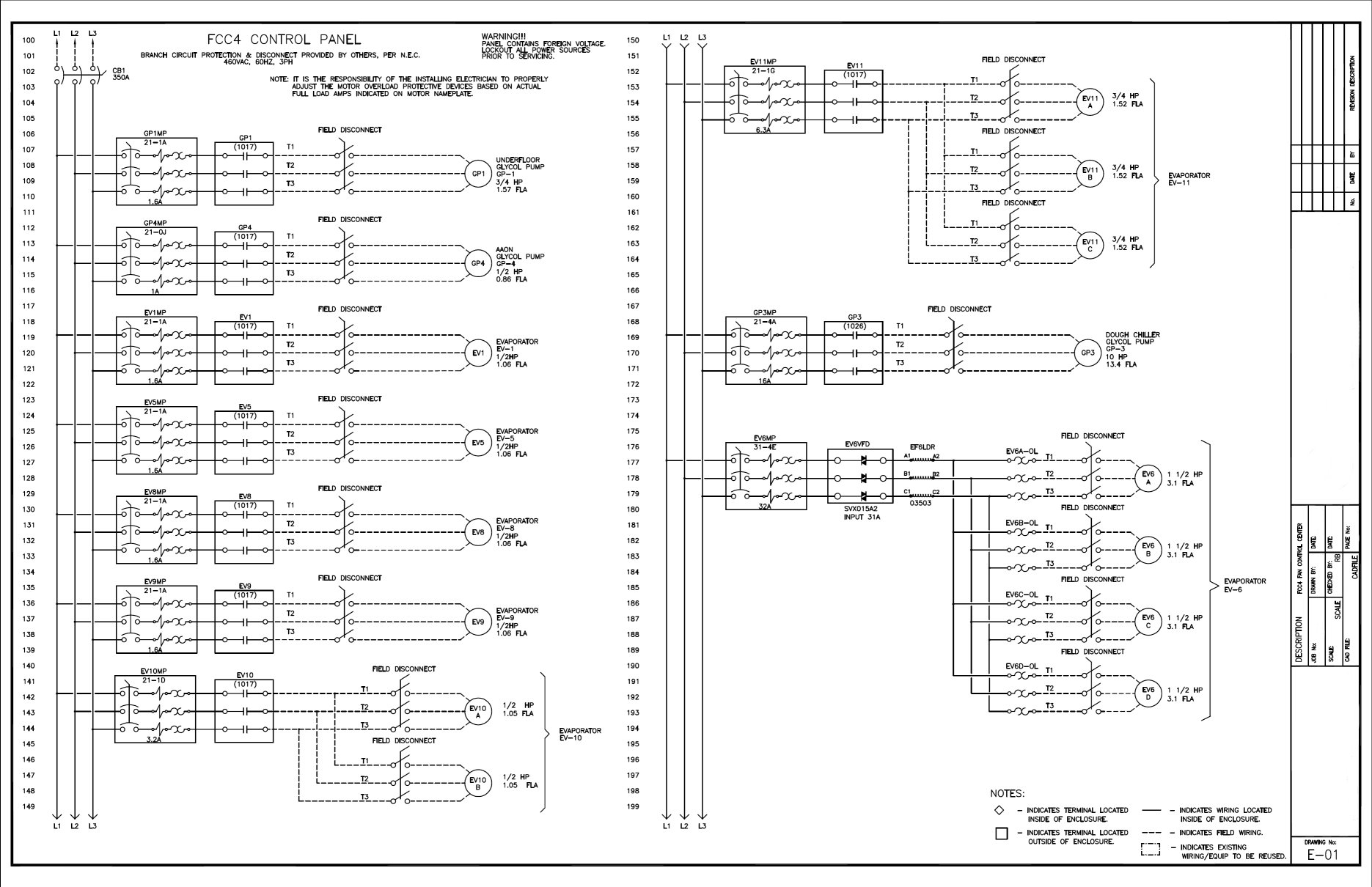
Drafting
MCC provides Drafting services detailing everything from the component details and wiring to Control and Communications. We also provide this service as a standalone product. We can do complete system designs based on yours or our engineering.

